
| 产品品牌 | 日安阀门 |
| 产品型号 | 600X |
| 产品口径 | DN25-DN800 |
| 驱动方式 | 电动 |
| 主体材质 | 铸钢、锻钢、不锈钢 |
| 连接形式 | 法兰连接 |
| 适用介质 | 水 |
| 执行标准 | GB/T 12234,GB/T 12221,GB/T 9131等 |
| 产品价格 | 厂家直销,详情电询023-68061086 |
电动控制阀由主阀,电磁阀,针阀,球阀等到组成。水力电动控制阀是一种以电磁阀为向导阀为向导阀的水力操作式阀门。常用于给排水及工系统中的自动控制,控制反映准确快速,根据电信号遥控开启和关闭管道路系统,实现远程操作。并右取代闸阀和蝶阀用于大型电动操作系统。阀门关闭速度可调,平稳关闭而不产生压力波动。
①阀体采用全通道、流线型设计,流体阻力小,流量大;
②体盖、活塞缸连接处由密封垫和密封环双重密封,无外漏;
③阀体、活塞缸、活塞双重导向,动作平稳、可靠;
④全不锈钢活塞缸、整体铸造活塞、NBR密封环,完美组合大延长使用;
⑤引进国外先进技术的可拆卸阀座,结构巧妙、构思新颖、方便维修更换;
⑥带导流孔的活塞缸,适当增加阻尼,使得活塞运动更趋于平稳。
| 公称压(Mpa) | 壳体试验压力(MPa) | 密封试验压力(MPa) | 最高进口压力(MPa) | 出口可调压力(MPa) | 适用介质 | 介质温度(℃) |
| 1 | 1.5 | 1.1 | 1 | 0.09-0.8 | 水 | 0-80 |
| 1.6 | 2.4 | 1.76 | 1.6 | 0.10-1.2 | ||
| 2.5 | 3.75 | 2.75 | 2.5 | 0.15-1.6 |
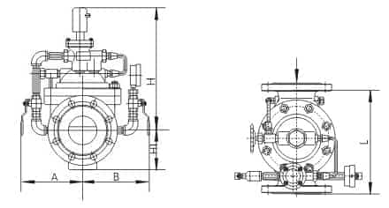
| 公称通径DN | L | H | H1 | A | B |
| 50 | 250 | 335 | 90 | 170 | 170 |
| 65 | 280 | 345 | 98 | 180 | 180 |
| 80 | 310 | 355 | 110 | 190 | 190 |
| 100 | 350 | 365 | 120 | 200 | 200 |
| 125 | 400 | 445 | 145 | 215 | 215 |
| 150 | 450 | 460 | 155 | 230 | 230 |
| 200 | 550 | 505 | 190 | 255 | 255 |
| 250 | 650 | 550 | 250 | 295 | 295 |
| 300 | 800 | 710 | 290 | 325 | 325 |
| 350 | 900 | 725 | 330 | 380 | 380 |
| 400 | 1000 | 760 | 360 | 415 | 415 |
| 450 | 1000 | 810 | 445 | 435 | 435 |
| 500 | 1100 | 865 | 495 | 460 | 460 |
| 600 | 1100 | 935 | 550 | 520 | 520 |
| 700 | 1450 | 1000 | 605 | 570 | 570 |
| 800 | 1560 | 1100 | 730 | 620 | 620 |
| 900 | 1800 | 1205 | 800 | 670 | 670 |

①水力控制阀应采用一备一用安装方式,避免水力阀故障后系统不能正常运行;
②水力控制阀的进水端应加装过滤器,防止因杂质颗粒的堵塞而引起水力阀失灵;
③水力控制阀一般应水平安装,安装时介质的流向必须与水力阀上箭头方向一致;
④水力控制阀安装时,应在其前后两端加装关断阀,方便后续水力控制阀的维护;
⑤水力控制阀管段不应有气堵、气阻现象,在管网较高位置等存气段应加装排气阀;。
电动控制阀广泛应用于给排水及工业系统中的自动控制,控制反应准确快速,根据电信号遥控开启和关闭管路系统,实现远程操作。